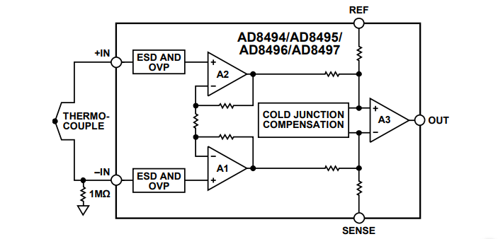
Analog Devices Inc. AD849x Precision Thermocouple Amplifiers
Analog Devices AD849x Precision Thermocouple Amplifiers with Cold Junction Compensation produce a high level (5mV/°C) output directly from a thermocouple signal by combining an ice point reference with a precalibrated amplifier. The AD849x has the option to be used as a standalone thermometer or as switched output setpoint controller using a fixed or remote setpoint control. The devices can measure temperatures below 0°C by offsetting the reference input. Additionally, the AD849x can be powered from a single-ended supply (less than 3V).The unloaded AD849x typically operates with a total supply current of 180μA to minimize self-heating, but it is also capable of delivering in excess of ±5mA to a load. The AD8494 and AD8496 are precalibrated by laser wafer trimming to match the characteristics of J type (iron-constantan) thermocouples. The AD8495 and AD8497 are laser trimmed to match the characteristics of K type (chromel-alumel) thermocouples.
The AD8494/AD8495/AD8496/AD8497 supports a wide variety of supply voltages. Using a 5V single supply, the 5mV/°C output allows the devices to cover nearly 1000 degrees of a thermocouple’s temperature range. The devices also work with 3V supplies, allowing them to interface directly to lower supply ADCs. The AD849x Amplifiers also can work with supplies as large as 36V in industrial systems that require a wide common-mode input range.
Additional product highlights include a complete precision laser wafer trimmed thermocouple signal conditioning system combined in a single IC package. The AD849x offers a flexible pinout providing operation as a setpoint controller or as a standalone Celsius thermometer. Rugged inputs withstand 4kV ESD and provide overvoltage protection (OVP) up to VS ± 25V, and differential inputs reject common-mode noise on the thermocouple leads.
The AD8494 is a full J-type range 0° to 50° Thermocouple Amplifier including Cold Junction Compensation.
Features
- Low cost and easy to use
- Pretrimmed for J or K-type thermocouples
- Internal cold junction compensation
- High-impedance differential input
- Standalone 5mV/°C thermometer
- Reference pin allows offset adjustment
- Thermocouple break detection
- Laser wafer trimmed to 1°C initial accuracy and 0.025°C/°C ambient temperature rejection
- Low power at <1mW at VS = 5V
- Wide power supply range
- Single supply of 2.7V to 36V
- Dual supply of ±2.7V to ±18V
- Small, 8-lead MSOP
Applications
- J or K type thermocouple temperature measurement
- Setpoint controller
- Celsius thermometer
- Universal cold junction compensator
- White goods (oven, stovetop) temperature measurements
- Exhaust gas temperature sensing
- Catalytic converter temperature sensing
Videos
ADDITIONAL RESOURCES
A Simple Way to Measure Temperature Using One GPIO Digital Interface
Making an analog measurement using a single GPIO using a voltage-to-frequency converter instead of an analog-to digital
converter.
Application Notes
Block Diagram
