Analog Devices / Maxim Integrated MAX17703 Li-Ion Battery Charger Controller
Analog Devices MAX17703 Step-Down Li-Ion Battery Charger Controller is a high-efficiency, high-voltage, synchronous, step-down, Himalaya Li-Ion battery-charger controller designed to operate over an input voltage range of a 4.5V to 60V.The MAX17703 Controller operates over a wide -40°C to +125°C temperature range and delivers a complete charging solution for Li-ion batteries with a ±4% accurate constant current. The output voltage is programmable from 1.25V up to (VDCIN - 2.1V) with ±1% regulation accuracy.
The Analog Devices MAX17703 Li-Ion Battery Charger Controller uses an external nMOSFET to provide input supply-side short-circuit protection, preventing battery discharge. The device charges the battery in constant current (CC) and constant voltage (CV) states and terminates in a top-up-charge state after the taper timer is elapsed.
The MAX17703 is housed in a 24-pin 4mm x 4mm TQFN package with an exposed pad.
Features
- Optimized feature-set for Li-Ion batteries including Li-Polymer, LiFePO4 and Li-Titanate
- ±4% Charging current regulation accuracy
- ±6% Charging current monitor accuracy (ISMON)
- ±1% Voltage regulation accuracy
- Programmable Constant Current (CC) Mode Charging Current (ILIM)
- Charge termination on full battery detection with taper current threshold and taper timer
- Wide 4.5V to 60V input-voltage range
- Adjustable output-voltage range from 1.25V up to (VDCIN - 2.1V)
- 125kHz to 2.2MHz Adjustable frequency with external clock synchronization (RT/SYNC)
- Reliable operation in adverse environmental conditions
- Input short-circuit protection (GATEN)
- Safety Timer Feature (TMR)
- Deeply discharged battery detection and preconditioning (DDTH)
- Battery temperature sensing and charge when within temperature of range (TEMP)
- Cycle-by-cycle overcurrent limit
- Programmable EN/UVLO threshold
- Status output monitoring using open-drain outputs (FLG1 and FLG2)
- Overtemperature protection
- Complies with CISPR 32 (EN55032) class B conducted and radiated emissions
- Wide -40°C to +125°C ambient operating temperature range/ -40°C to +150°C junction temperature range
Applications
- Industrial battery charging and energy storage
- Power tools and handheld terminals
- Battery backup for lighting, security cameras, and control panels
- Portable industrial and medical equipment
- Building and home-automation backup power
Videos
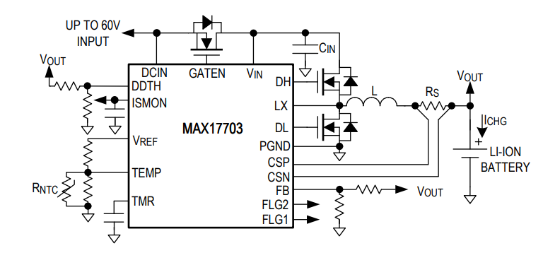
Simplified Application Circuit
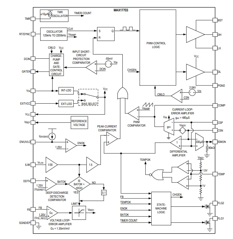
Functional Block Diagram
Published: 2021-05-27
| Updated: 2023-04-12
