MACOM CGHV31500F1-AMP Evaluation Board

MACOM CGHV31500F1-AMP Evaluation Board facilitates the evaluation of the CGHV31500F1 2.7GHz – 3.1GHz, 500W GaN HEMT. The CGHV31500F1 HEMT delivers an extended pulse capability to meet the developing trends in radar architectures. The CGHV31500F1 is specifically designed for the 2.7GHz to 3.1GHz S-Band radar band.

The MACOM CGHV31500F1-AMP Evaluation Board is delivered with the CGHV31500F1 HEMT installed.

Features

  • 500W Psat
  • >65% DE
  • 13dB LSG

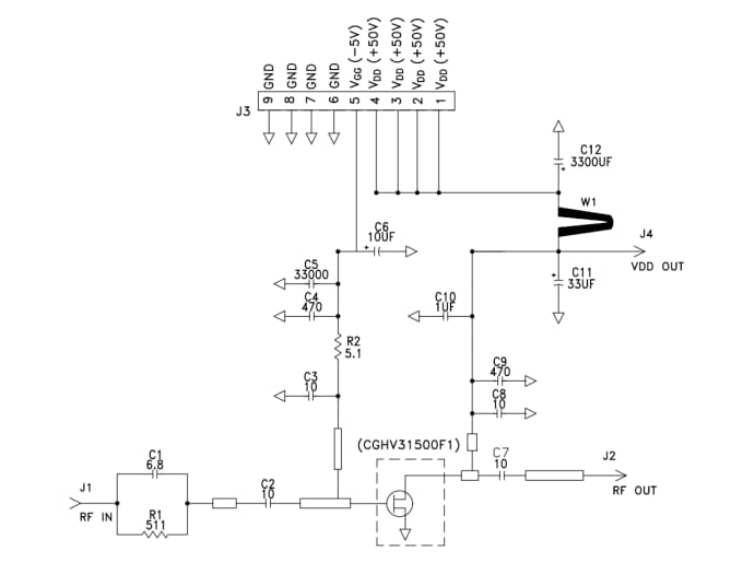
Schematic Drawing

Schematic - MACOM CGHV31500F1-AMP Evaluation Board
Published: 2021-11-15 | Updated: 2024-01-18