onsemi NCP51560 Isolated Dual-Channel Gate Driver
onsemi NCP51560 Isolated Dual-Channel Gate Driver offers a 4.5A peak source and a 9A peak sink output current capability. The NCP51560 is intended for fast switching to drive power MOSFETs and SiC MOSFET power switches. Short and matched propagation delays are also featured on the devices.The onsemi NCP51560 Isolated Dual-Channel Gate Driver has a working voltage of up to 1500VDC provided by two galvanically isolated gate driver channels. These channels allow many configurations of two low-side, two high-side switches, or a half-bridge driver with programmable dead time.
The NCP51560 implements other essential protection functions, including independent under-voltage lockout for both gate drivers and a dead time adjustment function.
Features
- Flexible dual low-side, dual high-side, or half−bridge gate driver
- 4.5A Peak source, 9A peak sink output current capability
- Independent UVLO protections for both output drivers
- Output supply voltage from 6.5V to 30V with 5V and 8V for MOSFET, 13V and 17V UVLO for SiC, thresholds
- Common mode transient immunity CMTI > 200V/ns
- User programmable dead-time
- Propagation delay typical 38ns with
- 5ns Max delay matching per channel
- 5ns Max pulse-width distortion
- User-programmable input logic
- DISABLE Mode
- Isolation and safety
- 5kVrms Isolation for 1 minute (per UL1577 requirements)
- 8000VPK Reinforced isolation voltage (per VDE0884−11 requirements)
- CQC Certification per GB4943.1−2011
- SGS FIMO Certification per IEC 62386−1
- Pb-Free devices
Applications
- Motor drives
- Isolated converters in DC-DC and AC-DC power supply
- Server, telecom, and industrial infrastructures
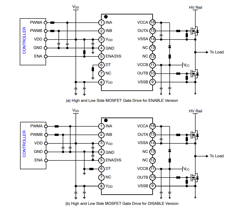
Application Schematics
FUNCTIONAL BLOCK DIAGRAM
Additional Resources
Published: 2022-08-22
| Updated: 2024-06-25
