ROHM Semiconductor SCT4045DWAHR AEC-Q101 N-Channel SiC Power MOSFET
ROHM Semiconductor SCT4045DWAHR AEC-Q101 N-Channel Silicon Carbide (SiC) Power MOSFET is an automotive-grade device engineered for high-efficiency and high-reliability applications in harsh environments. With a drain-source voltage rating of 750V and a continuous drain current of 31A (at +25°C per chip), this dual MOSFET device offers a typical on-resistance of just 45mΩ per channel, enabling reduced conduction losses and improved thermal performance. Packaged in a compact TO-263-7LA configuration, the ROHM SCT4045DWAHR supports high-density designs and efficient thermal management.The SCT4045DWAHR is ideal for use in electric vehicle (EV) inverters, onboard chargers, and other automotive powertrain systems, benefiting from the inherent advantages of SiC technology such as high-speed switching, low switching losses, and excellent high-temperature operation. The automotive qualification ensures robust performance under stringent reliability standards, making the MOSFET a strong choice for next-generation vehicle electrification.
Features
- AEC-Q101 qualified
- Low on-resistance
- Fast switching speed
- Fast reverse recovery
- Easy to parallel
- Simple to drive
- TO-263-7LA package
- Wide 4.7mm (minimum) creepage distance
- Pb-free lead plating
- RoH compliant
Applications
- Automotive
- Switch mode power supplies
Specifications
- 750V maximum drain-source voltage
- Maximum continuous drain/source current
- 31A at +25°C
- 22A at +100°C
- 80μA maximum zero gate voltage drain current
- 61A maximum pulsed drain current
- Body diode
- Maximum forward current
- 31A pulsed
- 61A surge
- 3.3V typical forward voltage
- 9.3ns typical reverse recovery time
- 89nC reverse recovery charge
- 19A typical peak reverse recovery current
- Maximum forward current
- -4V to 21V maximum DC gate-source voltage range
- -4V to 23V maximum gate-source surge voltage range
- Maximum recommended gate-source drive voltage
- 15V to 18V maximum turn-on range
- 0V turn-off
- ±100nA gate-source leakage current
- 2.8V to 4.8V gate threshold voltage range
- Drain-source on-state resistance
- 59mΩ maximum static at +25°C
- 45mΩ typical
- 4Ω typical gate input resistance
- 1.6K/W junction-to-case thermal resistance
- 9.3S typical transconductance
- Typical capacitance
- 1460pF input
- 69pF output
- 5pF reverse transfer
- 90pF effective output, energy-related
- Typical gate
- 63nC total
- 14nC source charge
- 19nC drain charge
- Typical time
- 5.1ns turn-on delay
- 16ns rise
- 27ns turn-off delay
- 10ns fall
- Typical switching losses
- 112μJ turn-on
- 17μJ turn-off
- +175°C maximum virtual junction temperature
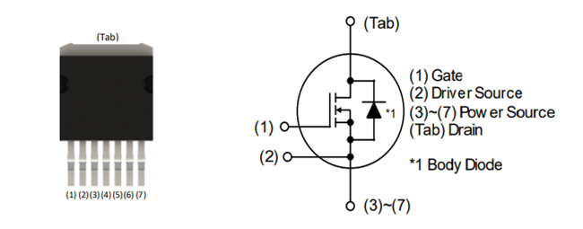
Inner Circuit
Published: 2025-06-13
| Updated: 2025-06-19
