STMicroelectronics MC33078 Low Noise Dual Operational Amplifiers
STMicroelectronics MC33078 Low Noise Dual Operational Amplifiers are great for audio applications and have a 4.5nV/√Hz low voltage noise. The MC33078 also have a 15MHz high-gain bandwidth and 7V/μs high slew rate. These amplifiers have a very low 0.002% distortion, excellent phase/gain margins and output stage that allows a large output voltage swing. The stage also allows a symmetrical source and sink currents.Features
- Low voltage noise of 4.5nV/√Hz
- High gain-bandwidth product of 15MHz
- High slew rate of 7V/μs
- Low distortion of 0.002%
- Large output voltage swing of +14.3V / -14.6V
- Low input offset voltage
- Excellent frequency stability
- ESD protection 2kV
- Macro model included in this specification
- Package options of DIP-8, SO-8
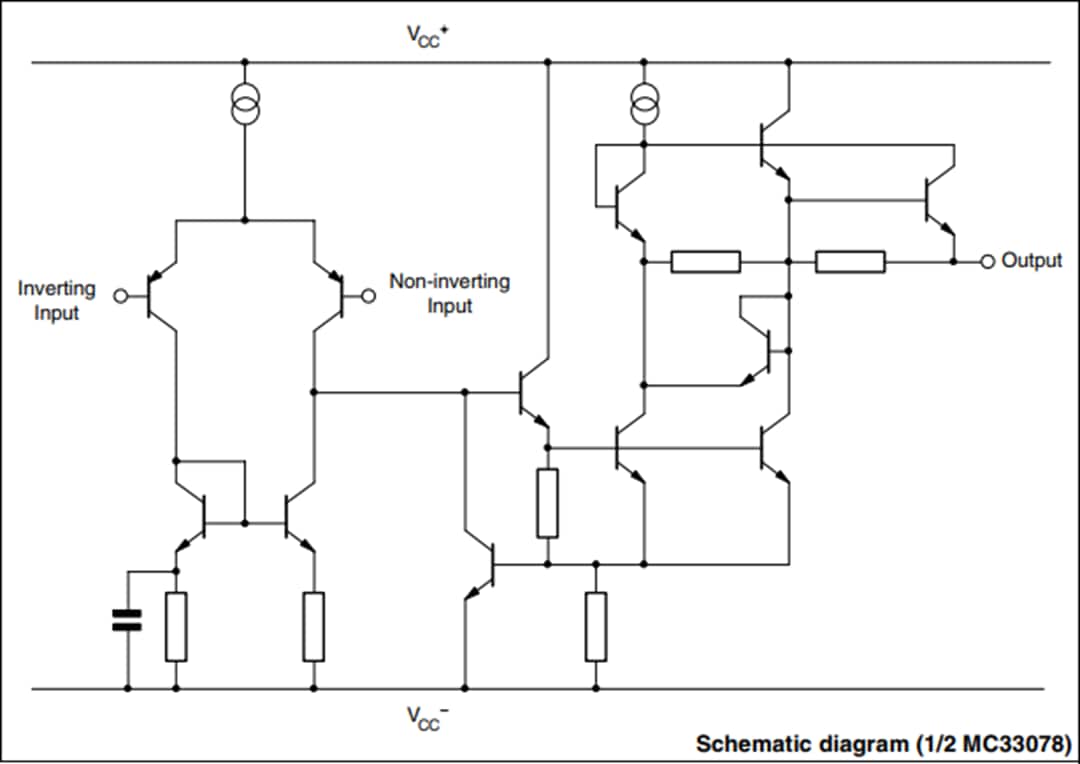
Schematic Diagram
Published: 2016-01-19
| Updated: 2022-03-11
