STMicroelectronics STEVAL-MKI175V1 LIS2DE12 Adapter Board
STMicroelectronics STEVAL-MKI175V1 Adapter Board is designed to facilitate the evaluation of LIS2DE12 Micro Electro Mechanical System (MEMS) devices. This board offers an effective solution for fast system prototyping and device evaluation directly inside the application. The STEVAL-MKI175V1 board can be plugged into a standard DIL24 socket. This adapter board provides complete LIS2DE12 pin-out and comes ready-to-use with the required decoupling capacitors on the VDD power supply line. The STMicroelectronics STEVAL-MKI175V1 Adapter Board is supported by the STEVAL-MKI109V2 and STEVAL-MKI109V3 motherboards which includes a high-performance 32-bit microcontroller which bridges between the sensor and a PC. The downloadable Unico Graphical User Interface (GUI), or dedicated software routines for customized applications are used on the PC.Features
- Complete LIS2DE12 pinout for a standard DIL24 socket
- Fully compatible with the STEVAL-MKI109V2 and STEVAL-MKI109V3 motherboards
- RoHS compliant
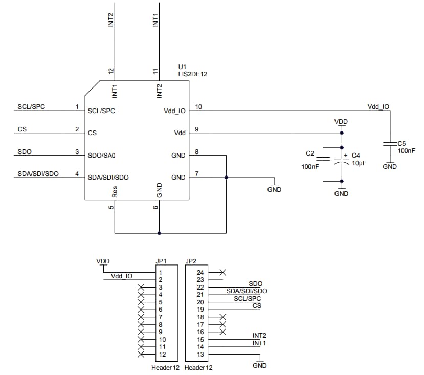
Schematic Diagram
Published: 2018-09-12
| Updated: 2023-02-20
