STMicroelectronics Low-Power Dual Operational Amplifiers
STMicroelectronics Low-Power Dual Operational Amplifiers consist of two independent, high-gain, internally frequency-compensated op-amps, specifically designed to operate from a single power supply over a wide range of voltages. These Low-Power Dual Operational Amplifiers have a low-power supply drain and is independent of the magnitude of the power supply voltage. Applications for these STMicroelectronics Low-Power Dual Operational Amplifiers include transducer amplifiers, DC gain blocks and all the conventional op-amp circuits, which can now be more easily implemented in single power supply systems.Features
- Internally frequency-compensated
- Large DC voltage gain: 100dB
- Wide bandwidth (unity gain): 1.1MHz (temperature compensated)
- Very low supply current per operator essentially independent of supply voltage
- Low input bias current: 20nA (temperature compensated)
- Low input offset voltage: 2mV
- Low input offset current: 2nA
- Input common-mode voltage range includes negative rails
- Differential input voltage range equal to the power supply voltage
- Large output voltage swing 0V to (VCC ± 1.5V)
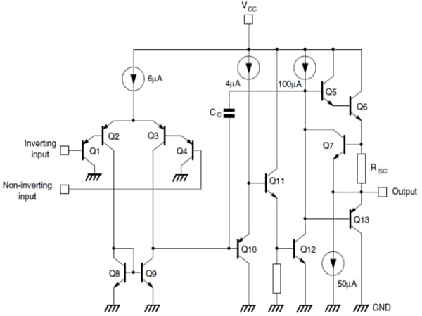
Schematic Diagram (1/2 LM158)
View Results ( 14 ) Page
| Part Number | Datasheet | Package/Case | Output Current per Channel | Number of Channels | GBP - Gain Bandwidth Product | SR - Slew Rate | CMRR - Common Mode Rejection Ratio | Ib - Input Bias Current | Vos - Input Offset Voltage | Operating Supply Current | PSRR - Power Supply Rejection Ratio | Technology |
|---|---|---|---|---|---|---|---|---|---|---|---|---|
| LM358ST | ![]() |
MiniSO-8 | 40 mA | 2 Channel | 1.1 MHz | 600 mV/us | 85 dB | 150 nA | 7 mV | 1.2 mA | 65 dB | Bipolar |
| LM358APT | ![]() |
TSSOP-8 | 40 mA | 2 Channel | 1.1 MHz | 600 mV/us | 85 dB | 50 nA | 3 mV | 1.2 mA | 65 dB | Bipolar |
| LM258ADT | ![]() |
SOIC-8 | 40 mA | 2 Channel | 1.1 MHz | 600 mV/us | 85 dB | 50 nA | 3 mV | 1.2 mA | 65 dB | Bipolar |
| LM258QT | ![]() |
DFN-8 | 40 mA | 2 Channel | 1.1 MHz | 600 mV/us | 85 dB | 150 nA | 5 mV | 700 uA | 100 dB | |
| LM358WST | ![]() |
MiniSO-8 | 40 mA | 2 Channel | 1.1 MHz | 600 mV/us | 85 dB | 150 nA | 7 mV | 700 uA | 100 dB | |
| LM158DT | ![]() |
SOIC-8 | 40 mA | 2 Channel | 1.1 MHz | 600 mV/us | 85 dB | 150 nA | 5 mV | 1.2 mA | 65 dB | Bipolar |
| LM258AST | ![]() |
MiniSO-8 | 40 mA | 2 Channel | 1.1 MHz | 600 mV/us | 85 dB | 50 nA | 3 mV | 1.2 mA | Bipolar | |
| LM258PT | ![]() |
TSSOP-8 | 40 mA | 2 Channel | 1.1 MHz | 600 mV/us | 85 dB | 150 nA | 5 mV | 1.2 mA | 65 dB | Bipolar |
| LM358ADT | ![]() |
SOIC-8 | 40 mA | 2 Channel | 1.1 MHz | 600 mV/us | 85 dB | 50 nA | 3 mV | 1.2 mA | 65 dB | Bipolar |
| LM358AST | ![]() |
MiniSO-8 | 40 mA | 2 Channel | 1.1 MHz | 600 mV/us | 85 dB | 50 nA | 3 mV | 1.2 mA | 65 dB | Bipolar |
Published: 2012-03-09
| Updated: 2022-03-11

