Texas Instruments bq27Z561-R2 Impedance Track™ Gas Gauge IC

Texas Instruments bq27Z561-R2 Impedance Track™ Gas Gauge IC is a highly integrated, accurate 1-series cell gas gauge with a flash programmable custom reduced instruction-set CPU (RISC). It includes SHA-256 authentication for li-ion and li-polymer battery packs. The 1-series cell capability includes parallel cells for increased capacity.

The Texas Instruments bq27Z561-R2 gas gauge communicates via I2C-compatible and HDQ one-wire interfaces and includes several key features that can help facilitate accurate gas gauging applications. Integrated temperature sense functions (internal and external options) enable system and battery temperature measurements.

Features

  • Supports current sense resistors down to 1mΩ
  • Supports pack-side gauging, including enhanced state of health (SOH) algorithm
  • Fast QMax update option based on predicted OCV
  • SHA-256 authentication responder for increased battery pack security
  • Sophisticated charge algorithms
    • JEITA
    • Enhanced charging
    • RSOC charging compensation option
  • Two independent ADCs
    • Support for simultaneous current and voltage sampling
    • High-accuracy coulomb counter with input offset error < 1µV (typical)
  • Low-voltage (2V) operation
  • Wide-range current applications (1mA to > 5A)
  • Active high or low pulse or level interrupt pin
  • Supports battery trip point (BTP)
  • Reduced power modes (typical battery pack operating range conditions)
    • < 11µA Typical SLEEP mode
    • < 9µA Typical DEEP SLEEP mode
    • < 3µA Typical HIBERNATE mode
    • < 1.9µA Typical OFF mode
  • Internal and external temperature sense functions
  • Diagnostic lifetime data monitor and black box recorder
  • 400kHz I2C bus communications interface for high-speed programming and data access
  • HDQ one-wire for communication with the host
  • Compact 12-pin DSBGA package (YPH)

Applications

  • Smartphones
  • Digital still cameras and video cameras
  • Tablet computing
  • Portable and wearable health devices
  • Portable audio devices

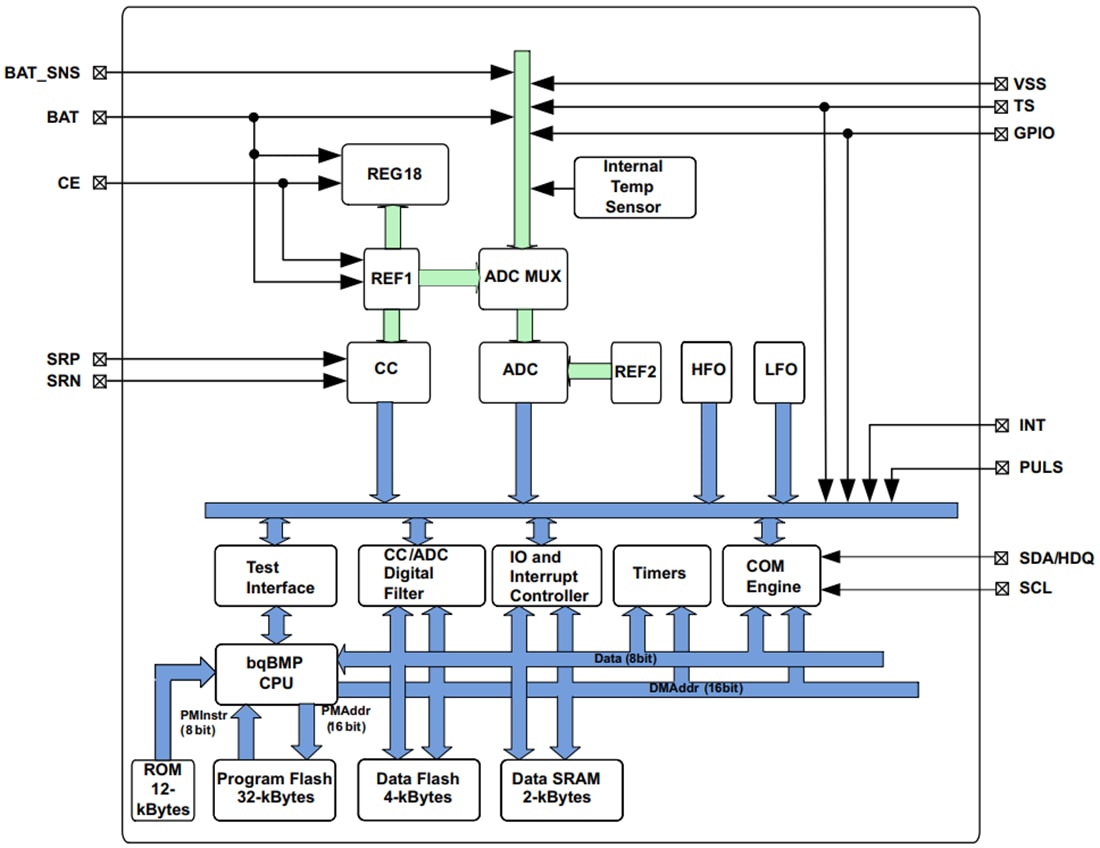
Functional Block Diagram

Block Diagram - Texas Instruments bq27Z561-R2 Impedance Track™ Gas Gauge IC
Published: 2020-10-21 | Updated: 2024-09-05