Texas Instruments TLVx888 Zero-Drift Mux-Friendly Op Amps
Texas Instruments TLVx888 Zero-Drift Mux-Friendly Operational Amplifiers (Op Amps) are wide-bandwidth, low-noise, and zero-drift op amps. These op amps feature only 15µV of offset voltage (max.) and 0.1µV/°C of offset voltage drift (max.) over a wide temperature range. The TLVx888 features a very fast settling time partly due to the wide gain bandwidth and very high slew rate. The proprietary MUX-friendly input architecture further enhances the settling time in multichannel systems.
The combination of high precision, fast settling, and low noise makes the Texas Instruments TLVx888 an excellent choice for various applications, including signal measurement, precision instrumentation, and data acquisition. The TLVx888 devices are available in industry-standard and micro-size packages to fit in the most space-constrained applications. The devices are specified for operation from -40°C to +125°C.
Features
- High DC precision
- 0.01µV/°C zero drift
- 3µV low offset voltage
- 150dB high PSRR
- 150dB high CMRR
- Excellent AC performance
- 14MHz gain bandwidth
- 40V/µs slew rate
- 7.5nV/√Hz low noise
- Input to the negative rail, rail-to-rail output
- Low quiescent current of 1.5mA
- RFI/EMI filtered inputs
- 4.5V to 36V supply range
- Temperature range of –40°C to +125°C
Applications
- PC PSU and game console unit
- Merchant DC/DC
- Flow transmitter
- Pressure transmitter
- Merchant battery charger
- Electricity meter
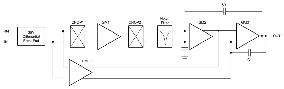
Functional Block Diagram
